勃裕雙電源 創造品牌影響力
勃裕電氣致力于優良的電子產品研發、生產與銷售

產品詳情
概述
BYGQ系列自動復位過欠壓保護器是我公司根據目前市電狀況研制的新一代家電保護裝置。控制線路板選用進口元器件組裝,產品用模數化標準生產,性能優良、可靠。能在電壓異常情況下正常工作。當市電電壓超過保護器的設定過壓動作電壓值時,保護器能迅速、可靠地切斷電路,以達到保護電器安全。當市電電壓恢復正常時,保護器能自動延時1-2分鐘(特殊時間可以訂制)接通電源恢復供電,所有功能全部自動實施、無需人員操作。面板上的發光二極管能指示保護器工作狀況。指示燈綠燈是工作電源指示,指示燈紅燈不亮時正常供電,紅燈亮時保護功能啟動切斷供電。
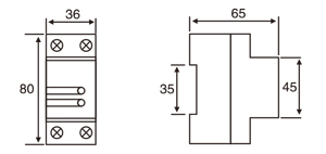
36mm寬度自動復位過欠壓延時保護器是我公司根據市場要求改進的第二代自復式過欠壓延時保護器,外觀精美小巧,與2P寬度大小DZ47一樣,配電箱安裝可靠,方便,雙發光二極管指示,方便清晰,容易看懂,電源進入不僅可以上進下出,也可以下進上出,極大滿足客戶要求。我公司根據市場要求改進的第二代自復式過欠壓延時保護器,外觀精美小巧,與2P寬度大小DZ47一樣,配電箱安裝可靠,方便,雙發光二極管指示,方便清晰,容易看懂,電源進入不僅可以上進下出,也可以下進上出,極大滿足客戶要求。
型號及其含義

主要技術參數

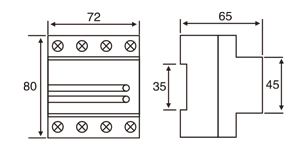
外形及安裝尺寸圖
●外形尺寸(毫米)見下圖
●海拔高度不超過2000m;
●允許使用溫度范圍-40℃~+50℃
●空氣相對濕度≤80?
●本產品為TH35mm導軌,不可安裝。


注意事項
1、保護器初次通電時需延時1-2分鐘后給負載正常供電。
2、保護器N線為零線,L為火線,保護器斷開時內部繼電器只切斷L火線,嚴禁零線與火線接錯。
3、在使用前請擰緊卡線螺釘,防止接觸不良而損壞產品。
4、保護器沒有過載和短路保護,因此,在保護器輸入端前安裝DZ47小型斷路器作過載和短路保護。
?2019 上海勃裕電氣有限公司 版權所有?? 滬ICP備14015965號-1